万向铰链型波纹补偿器由波纹管、平衡环及两对与平衡环和端管相连的铰链板组成的挠性部件。一般为两个万向铰链型或两个万向铰链型与一个单式铰链一起配套组使用,适用于"L"型和"Z"型管系中,主要以角偏转的方式补偿多平面弯曲管段的合成位移。由于平衡环、销轴和铰链板能承受压力推力和其他附加外力的作用,补偿器自身吸收内压推力,不会对管道产生外力,因此管道支撑的设置可以简化。为保证客户未来产品使用无缺陷,我司出厂所有万向铰链型产品铰链板及平衡环的厚度绝对达到安全要求,保证承受未来工作过程中造成的重大管道压力推力。
公称通径:DN50~DN3000(mm)
设计压力:0.1~2.5 (Mpa)
设计温度:-20~450 ℃
连接方式:法兰/ 焊接
执行标准: GB/T12777-2008
材 质:SUS304, SUS321, SUS316L, SUS309, SUS310s

万向铰链型波纹膨胀节性能特点: 主要以角偏转的方式补偿多平面弯曲管段的合成位移。 由于平衡环、销轴和铰链板能承受压力推力和其他附加外力的作用,膨胀节自身吸收内压推力,不会对管道产生外力,因此管道支撑的设置可以简化。万向铰链式波纹补偿器可以补偿管线任意向上的角位移。万向铰链型膨胀节与铰链式不同处在于它有一个万向环,在万向环的周向有二对相互垂直的铰链结构,因此它能吸收任意平面的角向位移,同样吸收位移时需二个或三个组合使
用。



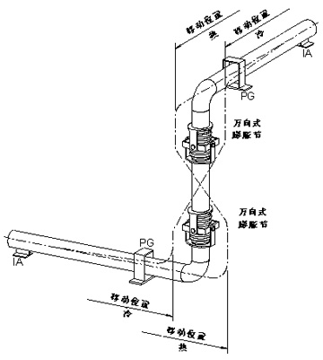
当水平管道自身的挠性无法满足支管中热膨胀的吸收时,这种多平面管道系统就经常被应用。如图所示,为了适应这种热膨胀位移,需将一个铰链式膨胀节与两个万向型膨胀节联合使用。这样可以保证L1与L2有最大尺寸规格,L3则保持最小。低处的管道必须用固定的导管装置,高处的管道则需用平面导管装置。