所属分类:金属补偿器
联系人:高先生
联系电话:18258211110
访问数量:1330
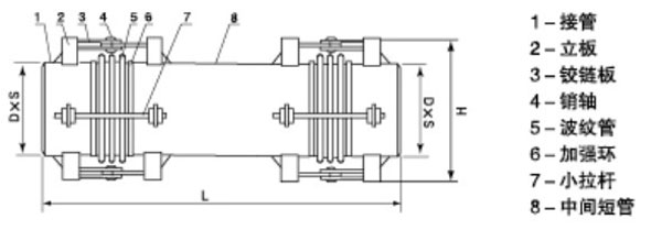
复式铰链补偿器由两个单铰链补偿器和一个长的中间连接管组成。它可以吸收单一平面内的横向位移。它们的铰链板和销轴能够承受内部压力推力。
复式铰链补偿器结构图
复式铰链补偿器参数表
地址:浙江省杭州市西湖区欣然街17号
手机:18258211110
电话:0571-85075077
QQ:1965666607
微信:18258211110
挡板门
插板阀
插板门
风门
风阀
金属补偿器
非金属补偿器
波纹补偿器
四氟补偿器
旋转补偿器
橡胶补偿器
不锈钢金属软管
法兰金属软管
大口径金属软管
螺纹金属软管
快接金属软管
公司简介
设备展示
新闻中心
联系我们
在线留言
Copyright © 2024 All Rights Reserved.