所属分类:金属补偿器
联系人:高先生
联系电话:18258211110
访问数量:943
杭州圣世中辉生产制造的无约束波纹补偿器介绍:
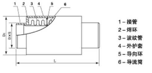
无约束波纹补偿器:是因为以往的轴向型波纹补偿器对使用有较多约束条件得名的。 无约束补偿器不仅具有柱状稳定性,还具有自导向能力。
无约束补偿器结构图:
无约束补偿器参数表
地址:浙江省杭州市西湖区欣然街17号
手机:18258211110
电话:0571-85075077
QQ:1965666607
微信:18258211110
挡板门
插板阀
插板门
风门
风阀
金属补偿器
非金属补偿器
波纹补偿器
四氟补偿器
旋转补偿器
橡胶补偿器
不锈钢金属软管
法兰金属软管
大口径金属软管
螺纹金属软管
快接金属软管
公司简介
设备展示
新闻中心
联系我们
在线留言
Copyright © 2024 All Rights Reserved.